

某乳業位于阿克蘇某冰川腳下,擁有60000畝有機天然飼草基地,完全自有優質奶源和國際先進的工藝設備。特有的冰川環境,全程有機品質監控,使某乳業成為新疆唯一榮獲“中國有機產品認證”的乳品企業,中國乳品“原生標準”的制定者。本公司的主營業務為:各種乳業產品(包括純奶、高端奶、酸奶、奶粉、烏市各大片區定點學生奶)。
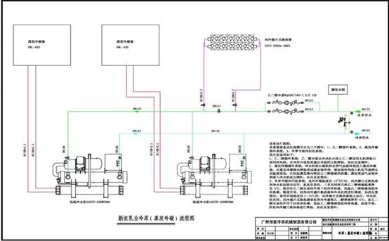
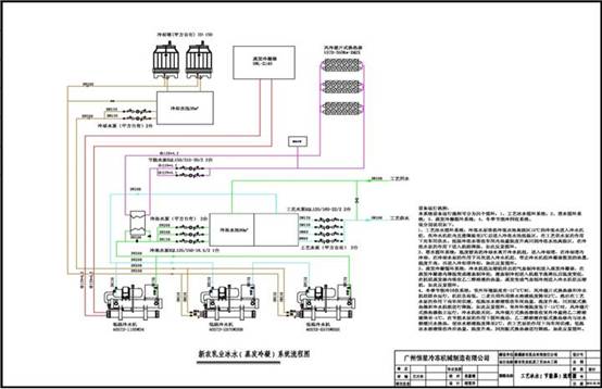
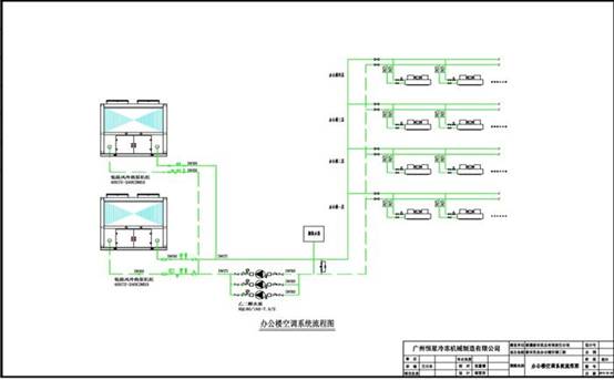
二、項目方案某乳業項目主要包括奶粉車間和液奶車間,建筑面積分別為12465m2、18408m2。奶粉車間和液奶車間工藝冰水系統合用冷水機組,冰水系統的冰水合計用量為200T/H,車間供回水溫度為2/10℃;奶粉車間和液奶車間空調系統合用冷水機組,機組合用冷負荷為2926.3Kw,系統要求供回水溫度為7/12℃;液奶車間冷庫系統包括2個庫溫為4℃的高溫庫和1個庫溫為15℃的高溫庫,冷庫日進貨量為60T。辦公樓辦公區域冷負荷為500Kw。
三、平面圖
掃一掃
微信咨詢